Aspes Forum

Aspes Navaho Forum
Aktuelle Zeit: 28. Jan 2026 10:34

Alle Zeiten sind UTC + 1 Stunde [ Sommerzeit ]




Ein neues Thema erstellen Auf das Thema antworten  [ 14 Beiträge ]  Gehe zu Seite 1, 2  Nächste
Autor Nachricht
BeitragVerfasst: 7. Jun 2019 08:50 
Offline

Registriert: 10. Mai 2019 12:51
Beiträge: 115
Nachdem ich wegen des Motor absterben Problems den Kondensator getauscht habe, habe ich jetzt ein Kontaktfeuer wie in einer Diskothek.
Da ich keine Lust habe jetzt ständig die Kondensator oder Zündspule zu wechseln bis ich irgendwann mal den Fehler durch Zufall gefunden habe werde, ich die besser gleich auf elektronische umrüsten.
Was ist den die geeignetste Anlage dafür?
Ich brauche keine 12v und auch keine Innenrotor Zündung.

Bosisio bietet ja die für 198€ an. Macht das Sinn? Oder hat vielleicht noch jemand was zu verkaufen?

http://www.bosisiomotori.it/home/index. ... Itemid=222

Gruß Olaf


Nach oben
 Profil  
 
BeitragVerfasst: 7. Jun 2019 11:40 
Offline
Benutzeravatar

Registriert: 30. Jul 2011 18:25
Beiträge: 1911
Wohnort: Dorfen
Hi,

die Ducati Zündung kannst du nehmen, die funktioniert einwandfrei.
Weitere Alternativen zur Ducati sind die sehr gute Vape Zündung aus Tschechien (ca.300€) oder eine MVT Millenium für Minarelli AM6 (ca.250€).

Gruß
Felix

_________________
Zwei Takte sind genug und Ventile gehören in die Reifen.
----------------------------------------------------------------
www.oldmoped.de


Nach oben
 Profil  
 
BeitragVerfasst: 7. Jun 2019 14:27 
Offline

Registriert: 10. Mai 2019 12:51
Beiträge: 115
Vielen Dank Felix
Die MVT gibt es in 1000 Ausführungen für den AM6
Welche ist denn die richtige?
Die Kosten ja zum Teil nur 150€
Passen denn die Zündungen der AM6 für den P6?


Nach oben
 Profil  
 
BeitragVerfasst: 7. Jun 2019 20:13 
Offline

Registriert: 26. Jan 2012 20:43
Beiträge: 33
Servus,

schau mal bei Power Dynamo, die hab ich im K6 und ist Bombe.

VG KJL


Nach oben
 Profil  
 
BeitragVerfasst: 8. Jun 2019 00:14 
Offline
Benutzeravatar

Registriert: 30. Jul 2011 18:25
Beiträge: 1911
Wohnort: Dorfen
Die VAPE ist super, leider aber auch die teuerste.
Die MVT für den AM6 bis 2004 glaube ich, bin mir aber grad nicht sicher.

Gruß

_________________
Zwei Takte sind genug und Ventile gehören in die Reifen.
----------------------------------------------------------------
www.oldmoped.de


Nach oben
 Profil  
 
BeitragVerfasst: 9. Jun 2019 14:34 
Offline
Benutzeravatar

Registriert: 4. Sep 2016 18:43
Beiträge: 190
Wohnort: Rheinland-Pfalz
Hallo,

ich habe an meinem K6 Motor, 2016 von Powerdynamo (VAPE) die Zündung verbaut. Bin sehr zufrieden. Bei meinem momentanen Projekt benötige ich ebenfalls wieder für einen K6 Motor eine Zündung. Werde auch wieder diesen Zündungstyp verbauen, wenn diese auch vor 3 Jahren nur 223 EUR gekostet hat und jetzt 300 EUR :? kostet.


Gruß

Frank


Dateianhänge:
Zündung_01.JPG
Zündung_01.JPG [ 286.71 KiB | 21619-mal betrachtet ]
Zündung_02.JPG
Zündung_02.JPG [ 332.79 KiB | 21619-mal betrachtet ]
Nach oben
 Profil  
 
BeitragVerfasst: 9. Jun 2019 16:04 
Offline
Benutzeravatar

Registriert: 22. Mai 2011 16:00
Beiträge: 6441
Wohnort: Bensheim
Frank, hast du 6 oder 12 Volt?

Hast du noch Spannungsbegrenzer verbaut, oder hast du ne Batterie?


Gruß
Kalle

_________________
Bild


Nach oben
 Profil  
 
BeitragVerfasst: 9. Jun 2019 18:44 
Offline
Benutzeravatar

Registriert: 4. Sep 2016 18:43
Beiträge: 190
Wohnort: Rheinland-Pfalz
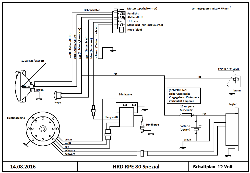
Hallo Kalle,

ich habe keine Batterie verbaut. Die Anlage läuft mit 12V/100W. Für den Umbau auf 12V mussten bei der HRD gerade mal 2 Birnchen und die Hupe getauscht werden. Das Licht ist jetzt wesentlich besser als im Originalzustand. Der Regler übernimmt die Anpassung der Spannung. Im Anhang ein Stromlaufplan einer VAPE-Zündung wie er an meiner HRD umgesetzt ist.

Gruß

Frank


Dateianhänge:
Schaltplan HRD.png
Schaltplan HRD.png [ 122.09 KiB | 21599-mal betrachtet ]
Nach oben
 Profil  
 
BeitragVerfasst: 9. Jun 2019 19:46 
Offline
Benutzeravatar

Registriert: 22. Mai 2011 16:00
Beiträge: 6441
Wohnort: Bensheim
Leitungsquerschnitt 0,75?.??... :o

Hm so wenig? Hast du den auch verbaut, oder dicker?

Kalle

_________________
Bild


Nach oben
 Profil  
 
BeitragVerfasst: 10. Jun 2019 12:17 
Offline

Registriert: 19. Sep 2016 19:24
Beiträge: 87
Hallo Frank,
was ist das bei der HRD für ein Regler (Foto?)
Gruß


Nach oben
 Profil  
 
Beiträge der letzten Zeit anzeigen:  Sortiere nach  
Ein neues Thema erstellen Auf das Thema antworten  [ 14 Beiträge ]  Gehe zu Seite 1, 2  Nächste

Alle Zeiten sind UTC + 1 Stunde [ Sommerzeit ]


Wer ist online?

Mitglieder in diesem Forum: 0 Mitglieder und 10 Gäste


Du darfst keine neuen Themen in diesem Forum erstellen.
Du darfst keine Antworten zu Themen in diesem Forum erstellen.
Du darfst deine Beiträge in diesem Forum nicht ändern.
Du darfst deine Beiträge in diesem Forum nicht löschen.
Du darfst keine Dateianhänge in diesem Forum erstellen.

Suche nach:
Gehe zu:  
Powered by phpBB® Forum Software © phpBB Group
Deutsche Übersetzung durch phpBB.de